一、用途
DZB系列阀门电动装置是一种多回转阀门电动装置,是电动阀门的驱动装置,用以控制阀门的开启和关闭??芍苯邮褂糜诜О遄髦毕咴硕姆?,如闸阀、节流阀、截止阀、隔膜阀等。也可与WJ型减速器叠加组合而成部分回转型阀门电动装置,从而又可使用于作部分回转运动的阀门,如球阀、蝶阀、风门等。它可准确地按控制指令使阀门动作,达到对阀门的开启和关闭的控制,是对各类阀门实现远控、集控和自动控制的必不可少的最理想的阀门电动驱动装置。本系列产品不仅可用于电厂、电站,还可用于石化、冶金、公用事业等。
二、特点
1、DZB系列阀门电动装置是我公司通过对国内外同类产品的分析研究,扬长避短博取众家之长而开发出的新一代产品。具有设计、系列齐全、能充分满足电站、石化、冶金、矿山等行业自动化控制的要求。
2、结构合理、通用性强,可适应各种配套功能的需要。
3、功能齐全、性能可靠,控制系统,能提供二个以上的中途信号(即开关向中途信号)。加装电机控制盒,可实现机电一体化,又可实现就地操作,既方便安装和使用,也可节省费用。
4、具有防尘、防水功能 ,其防护等级为IP67,应用户要求亦可提供防护等级为IP68的电动装置。
5、采用半自动手、电动切换机构,结构简单、工作可靠,操作方便。
6、控制精度高,调整方便。
7、装有相位鉴别器
相位鉴别器具有三相缺相(错相)?;ぷ饔茫芗嗫厝嗟缭丛し来砦笙辔恍腿毕?。若接好电源及控制信号线后,操纵电动装置无动作,说明相位鉴别器已起作用,只需切断电源将三相电源(380V)的任意两根线互换接,电动装置则能正常工作,此时相序即已认定。
三、技术条件
| 1、电源 |
三相AC380V/50Hz |
|
2、工作制式 |
短时工作制 15min |
|
3、防护等级 |
IP67 IP68(特殊订货) |
|
4、环境温度 |
-20℃~+80℃ |
|
5、连接尺寸 |
按JB2920执行 |
四、DZB系列阀门电动装置主要技术性能参数表

五、电气控制部分
电动装置接线时,应按铭牌接线图接线,控制和动力电缆应分别接线。为保证防护等级,在电缆进口处应使用带密封垫的穿线接头,接线完毕后应盖上接线盒并紧固。
[应注意:电动装置停止运行后,开关及信号部分上的空间防结露加热器HZ带电!
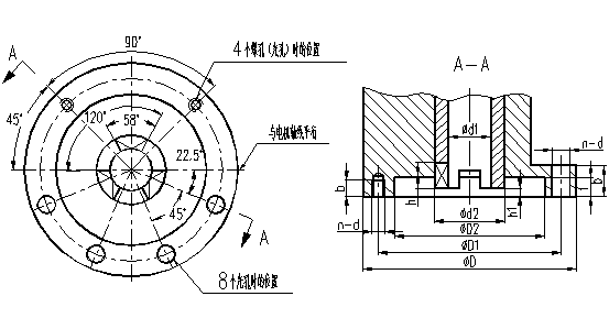
按JB2920连接型式及尺寸执行


注:本样本数据有可能因产品的改进设计或更新换代而发生变化,具体情况您可向公司销售人员咨询确认。


